Заказчик — Михаил. Помощник капитана торгового судна. Проводит по полгода в навигациях, в доме в это время живут жена с двумя детьми.
Задачи:
1. Иметь возможность управлять отоплением в приложении из любой точки мира, где есть интернет.
2. Находясь дома, давать команды отоплению также с помощью голосового помощника Алиса.
3. Иметь теплый пол не только на первом, но и на втором этаже.
4. Включать теплый пол и летом, если на улице зябко.
5. Иметь в санузлах более нагретый пол, чем в жилых комнатах.
6. Отапливаться без радиаторов, благо теплый пол планируется на обоих этажах.
7. Не заходить в котельную и не крутить ничего руками. И вообще ничего не трогать и не настраивать. По принципу «Всё работает само».
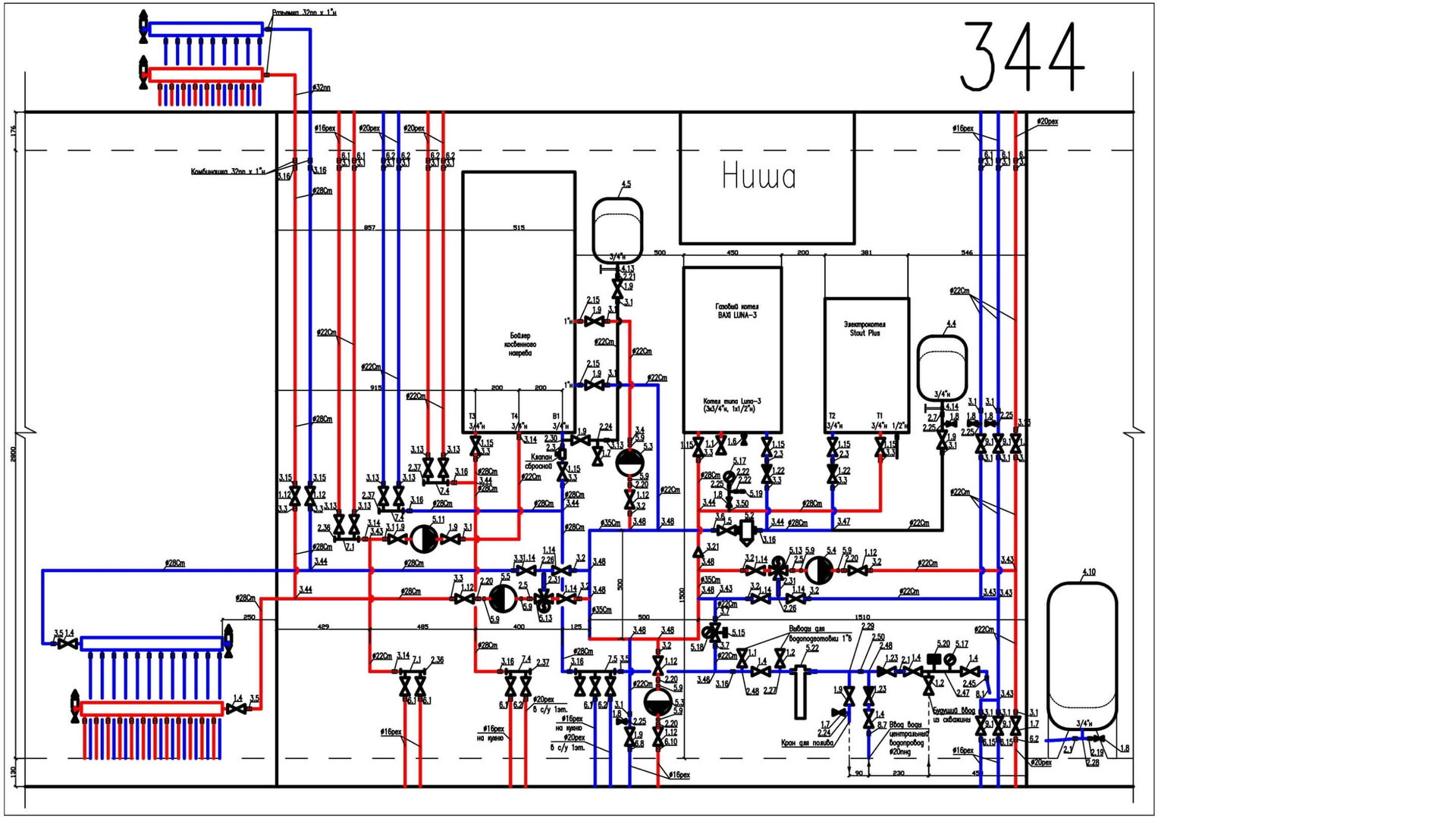
8. Иметь резервный электрокотел, который должен включаться сам, если газовый котел выйдет из строя
9. Не переживать за комфорт своей семьи в период полугодовой навигации.
Решение:
1. Теплый пол выполнен по всей площади как первого, так и второго этажа.
2. В помещениях с небольшими теплопотерями мы добавили перегрев краевых зон теплого пола, что позволило уйти от радиаторов.
При этом несколько радиаторов все же пришлось установить в тех комнатах, где по расчету теплопотери превышали мощность теплого пола.
3. Как и во всех наших котельных, применялась автоматика на базе контроллера Zont. Это позволило обеспечить работу отопления без участия человека. Температура в доме оставалась комфортной и в морозы, и в оттепель.
4. Любая наша котельная по умолчанию легко управляется Алисой.
5. В любой нашей системе есть возможность использования теплого пола в летний режим. При этом можно подавать в полы парное молоко. Что мы и сделали на этом объекте.
6. Приятный бонус. Летом можно подогревать не всю площадь пола, а только теплый пол в санузлах и вблизи наружных стен.
7. Система работает сама. Параметры подбирает сама, с котлом работу согласовывает. Держит резервный котел «наготове», если вдруг с основным котлом что-то случится.
8. Параметры ее работы видны на экране смартфона. Там же можно их изменять.
9. Ну, а как это выглядит… Посмотрите сами!
Задачи:
1. Иметь возможность управлять отоплением в приложении из любой точки мира, где есть интернет.
2. Находясь дома, давать команды отоплению также с помощью голосового помощника Алиса.
3. Иметь теплый пол не только на первом, но и на втором этаже.
4. Включать теплый пол и летом, если на улице зябко.
5. Иметь в санузлах более нагретый пол, чем в жилых комнатах.
6. Отапливаться без радиаторов, благо теплый пол планируется на обоих этажах.
7. Не заходить в котельную и не крутить ничего руками. И вообще ничего не трогать и не настраивать. По принципу «Всё работает само».
8. Иметь резервный электрокотел, который должен включаться сам, если газовый котел выйдет из строя
9. Не переживать за комфорт своей семьи в период полугодовой навигации.
Решение:
1. Теплый пол выполнен по всей площади как первого, так и второго этажа.
2. В помещениях с небольшими теплопотерями мы добавили перегрев краевых зон теплого пола, что позволило уйти от радиаторов.
При этом несколько радиаторов все же пришлось установить в тех комнатах, где по расчету теплопотери превышали мощность теплого пола.
3. Как и во всех наших котельных, применялась автоматика на базе контроллера Zont. Это позволило обеспечить работу отопления без участия человека. Температура в доме оставалась комфортной и в морозы, и в оттепель.
4. Любая наша котельная по умолчанию легко управляется Алисой.
5. В любой нашей системе есть возможность использования теплого пола в летний режим. При этом можно подавать в полы парное молоко. Что мы и сделали на этом объекте.
6. Приятный бонус. Летом можно подогревать не всю площадь пола, а только теплый пол в санузлах и вблизи наружных стен.
7. Система работает сама. Параметры подбирает сама, с котлом работу согласовывает. Держит резервный котел «наготове», если вдруг с основным котлом что-то случится.
8. Параметры ее работы видны на экране смартфона. Там же можно их изменять.
9. Ну, а как это выглядит… Посмотрите сами!
